密封螺母 BF-B,BF-BS

BF壓鉚緊固件——螺母系列:
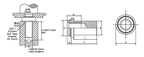
BF盲孔密封螺母緊固件(B,BS)

應用于需求封閉的螺紋底端。封閉的螺紋底端限制螺紋穿透并隔絕外部物質。為內部安裝提供堅固的螺紋,阻止外部灰塵侵入機體。
不銹鋼盲孔緊固件B與BS提供2種型號連鎖凸起.適用于不薄于1mm的鋼板和鋁板。
公制計量:mm
|
統一標準 |
螺紋尺寸× 螺距 |
類型 |
螺紋編碼 |
底紋編碼 |
A Max. |
最小板厚(1) |
板上孔的尺寸 +0.08 |
B Max. |
C Max. |
E ±0.25 |
H |
L Max. |
T ±0.25 |
孔距C/L邊緣的最短距離 |
|
鋼 |
不銹鋼 |
|
M3×0.5 |
B |
BS |
M3ns |
1 |
0.97 |
1 |
4.25 |
3.8 |
4.22 |
6.35 |
5.3 |
8.5 |
9.6 |
4.8 |
|
2 |
1.37 |
1.4 |
|
M4×0.7 |
B |
BS |
M4 |
1 |
0.97 |
1 |
5.4 |
5.2 |
5.38 |
7.95 |
7.1 |
9.8 |
11.2 |
6.9 |
|
2 |
1.37 |
1.4 |
|
M5×0.8 |
B |
BS |
M5 |
1 |
0.97 |
1 |
6.4 |
6 |
6.38 |
8.75 |
6.8 |
9.8 |
11.2 |
7.1 |
|
2 |
1.37 |
1.4 |
|
M6×1 |
B |
BS |
M6 |
1 |
1.37 |
1.4 |
8.75 |
7.8 |
8.72 |
11.1 |
7.8 |
12.7 |
14.3 |
8.6 |
|
2 |
2.21 |
2.3 |
英制計量:英寸
統一標準 |
螺紋尺寸 |
類型 |
螺紋編碼 |
底紋編碼 |
A Max. |
最小板厚(1) |
板上孔的尺寸 +.003/-.000 |
B Max. |
C Max. |
E ±0.25 |
H |
L Max. |
T ±0.25 |
孔距C/L邊緣的最短距離 |
|
鋼 |
不銹鋼 |
|
.112-40(#4-40) |
BNS |
BS |
440 |
1 |
.038 |
.040 |
.166 |
.150 |
.165 |
.25 |
.21 |
.335 |
.38 |
.19 |
|
2 |
.054 |
.056 |
|
.138-32(#6-32) |
B |
BS |
632 |
1 |
.038 |
.040 |
.1875 |
.169 |
.187 |
.28 |
.23 |
.335 |
.38 |
.22 |
|
2 |
.054 |
.056 |
|
.164-32(#8-32) |
B |
BS |
832 |
1 |
.038 |
.040 |
.213 |
.204 |
.212 |
.31 |
.28 |
.385 |
.44 |
.27 |
|
2 |
.054 |
.056 |
|
.190-32(#10-32) |
B |
BS |
032 |
1 |
.038 |
.040 |
.250 |
. 235 |
. 249 |
. 34 |
. 28 |
. 385 |
. 44 |
.28 |
|
2 |
.054 |
.056 |
|
.250-20(1/4-20) |
B |
BS |
0420 |
1 |
.054 |
.056 |
. 344 |
. 305 |
. 343 |
. 43 |
. 31 |
. 500 |
. 56 |
. 34 |
|
2 |
.087 |
.090 | 上一個產品 下一個產品返回 >>
|