埋頭螺栓 BF-CHC,CHA CFHC CHHA

BF壓鉚緊固件——螺栓系列:
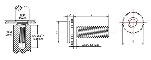
埋頭螺栓(CHC,CHA,CFHC,CFHA)

安裝于板的盲孔中,保持反面平齊無痕,達到預埋效果。獨特的凹槽設計,使螺栓承受較大的拉出和扭轉力。
公制計量 :mm
統一標準 |
螺紋尺寸×螺距 |
類型 |
螺紋編碼 |
長度尺寸"L" ±0.4 |
最小板厚 |
裝配盲孔直徑+0.08 |
盲孔最小深度(1) |
A Max. |
E -0.25 |
C Max. |
孔距C/L邊緣的最短距離 |
附加件的最大孔徑 |
|
鋁 |
不銹鋼 |
|
M3×0.5 |
CHANS |
CHC |
M3 |
6 |
8 |
10 |
12 |
16 |
20 |
NA |
1.6 |
4.37 |
1.09 |
1.09 |
5.21 |
4.35 |
4 |
3.6 |
|
CFHA |
CFHC |
2.4 |
1.91 |
1.91 |
|
M4×0.7 |
CHANS |
CHC |
M4 |
6 |
8 |
10 |
12 |
16 |
20 |
25 |
1.6 |
7.37 |
1.09 |
1.09 |
8.33 |
7.35 |
5.6 |
4.6 |
|
CFHA |
CFHC |
2.4 |
1.91 |
1.91 |
|
M5×0.8 |
CHA |
CHC |
M5NS |
NA |
NA |
10 |
12 |
16 |
20 |
25 |
1.6 |
7.93 |
1.09 |
1.09 |
8.89 |
7.9 |
6.4 |
5.6 |
|
CFHA |
CFHC |
2.4 |
1.91 |
1.91 |
英制計量 :英寸
統一標準 |
螺紋尺寸 |
類型 |
螺紋編碼 |
長度尺寸"L" ±.015 |
最小板厚 |
裝配盲孔直徑+.003/-.000 |
盲孔最小深度(1) |
A Max. |
E ±.010 |
C Max. |
孔距C/L邊緣的最短距離 |
附加件的最大孔徑 |
|
鋁 |
不銹鋼 |
.250 |
.370 |
.500 |
.625 |
.750 |
.100 |
|
.112-40(#4-40) |
CHANS |
CHC |
440 |
4 |
6 |
8 |
10NS |
12NS |
NA |
.062 |
. 172 |
.043 |
.043 |
.205 |
.171 |
.156 |
.135 |
|
CFHA |
CFHC |
.093 |
.075 |
.075 |
|
.138-32(#6-32) |
CHANS |
CHC |
632 |
4 |
6 |
8 |
10 |
12 |
16 |
.062 |
. 213 |
.043 |
.043 |
.250 |
.212 |
.188 |
.160 |
|
CFHA |
CFHC |
.093 |
.075 |
.075 |
|
.164-32(#8-32) |
CHANS |
CHC |
832 |
4 |
6 |
8 |
10 |
12 |
16 |
.062 |
. 290 |
.043 |
.043 |
. 328 |
.289 |
.219 |
.185 |
|
CFHANS |
CFHC |
.093 |
.075 |
.075 |
|
.190-32(#10-32) |
CHANS |
CHCNS |
032 |
NA |
6NS |
8 |
10 |
12 |
16 |
.062 |
. 312 |
. 043 |
.043 |
. 350 |
. 311 |
. 250 |
. 210 | 上一個產品 下一個產品返回 >>
|