平頭定位銷 BF-TPS

BF壓鉚緊固件——定位銷系列:
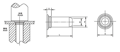
BF平頭定位銷(TPS) 可滿足在定位,旋轉中心和直線對準等多方面的應用。端部倒角使配合孔容易安裝為位置,樞軸,支點,校準的應用提供更廣闊的范圍,定位容易簡單準確。

公制計量:mm
統一標準 |
銷釘直徑±0.05 |
類型 |
銷釘直徑型號 |
L ±0.4 |
最小板厚 |
板孔尺寸+0.03 |
D ±0.15 |
H ±0.4 |
S Max. |
孔距C/L邊緣的最短距離 |
|
3 |
TPS |
3mm |
8 |
10 |
12 |
16 |
NA |
1 |
3.5 |
2.05 |
5.2 |
2.29 |
6.4 |
|
4 |
TPS |
4mm |
8 |
10 |
12 |
16 |
NA |
1 |
4.5 |
2.82 |
6.12 |
2.29 |
7.1 |
|
5 |
TPS |
5mm |
NA |
10 |
12 |
16 |
20 |
1 |
5.5 |
3.53 |
7.19 |
2.29 |
7.6 |
|
6 |
TPS |
6mm |
NA |
NA |
12 |
16 |
20 |
1 |
6.5 |
4.24 |
8.13 |
2.29 |
7.9 | 英制計量:英寸
統一標準 |
銷釘直徑±.002 |
類型 |
銷釘直徑型號 |
L ±.015 |
最小板厚 |
板孔尺寸+.003/-.000 |
D ±.006 |
H ±.015 |
S Max. |
孔距C/L邊緣的最短距離 |
|
. 375 |
. 500 |
. 625 |
.750 |
1.00 |
|
.125 |
TPS |
125 |
6 |
8 |
10 |
12 |
NA |
. 040 |
.144 |
.090 |
.205 |
.090 |
.250 |
|
.187 |
TPS |
187 |
6 |
8 |
10 |
12 |
16 |
. 040 |
.205 |
.132 |
.270 |
.090 |
.250 |
|
.250 |
TPS |
250 |
NA |
8 |
10 |
12 |
16 |
. 040 |
.272 |
.177 |
. 335 |
.090 |
. 310 | 上一個產品 下一個產品返回 >>
|