面板緊固件 BF-PF-30 31-32
BF壓鉚緊固件——面板固件系列:
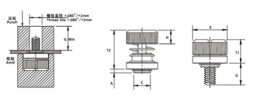
PF30型小高度面板緊固件(PF30,PF31,PF32)
1.小高度設計 2.用手或工具擰緊 3.大旋鈕易于使用 4.符合UL508操作要求
 公制計量:mm
統一標準 |
螺紋尺寸 |
類型 |
螺紋編碼 |
螺柱長度型號 |
A Max. |
最小板厚 |
板孔尺寸+0.08 |
C Max. |
E ±0.25 |
G ±0.4 |
H ±0.64 |
T1 Max. |
T2 Nom |
孔距C/L邊緣的最短距離 |
| M3×0.5 |
PF31NS |
M3 |
30 |
0.97 |
1 |
5.5 |
5.48 |
10.31 |
7.62 |
5.13 |
8.26 |
15.11 |
6.6 |
| PF32 |
1.48 |
1.5 |
| M4×0.7 |
PF31 |
M4 |
30 |
0.97 |
1 |
6.4 |
6.38 |
11.89 |
7.62 |
5.26 |
8.38 |
15.24 |
7.37 |
| PF32 |
1.48 |
1.5 |
| M5×0.8 |
PF31 |
M5 |
30 |
0.97 |
1 |
8 |
7.98 |
13.46 |
7.62 |
5.59 |
8.51 |
15.37 |
8.38 |
| PF32 |
1.48 |
1.5 |
| M6×1 |
PF32NS |
M6 |
35 |
1.48 |
1.5 |
9.5 |
9.48 |
15.88 |
8.89 |
6.12 |
9.78 |
17.15 |
9.65 | 英制計量:英寸
統一標準 |
螺紋尺寸 |
類型 |
螺紋編碼 |
螺柱長度型號 |
A Max |
最小板厚 |
板孔尺寸±.003 |
C Max |
E ±.010 |
G ±.015 |
H ±.005 |
T1 Max |
T2 Nom |
孔距C/L邊緣的最短距離 |
|
.112-40(#4-40) |
PF30 |
440 |
30 |
.030 |
.030 |
.203 |
.202 |
.406 |
. 300 |
.202 |
. 325 |
. 595 |
. 26 |
| PF31 |
.038 |
.040 |
| PF32 |
.058 |
.060 |
|
.138-32(#6-32) |
PF30NS |
632 |
30 |
.030 |
.030 |
.219 |
. 218 |
. 438 |
. 300 |
. 202 |
. 325 |
. 595 |
. 28 |
| .038 |
.040 |
| PF31 |
.058 |
.060 |
| PF32 |
|
.164-32(#8-32) |
PF30NS |
832 |
30 |
.030 |
.030 |
.250 |
.249 |
. 468 |
. 300 |
. 207 |
. 330 |
. 660 |
.29 |
| PF31 |
.038 |
.040 |
| PF32 |
.058 |
.060 |
|
.190-32(#10-32) |
PF30NS |
032 |
30 |
.030 |
.030 |
. 312 |
. 311 |
. 530 |
. 300 |
. 220 |
. 335 |
. 605 |
. 33 |
| PF31 |
.038 |
.040 |
| PF32 |
.058 |
.060 |
|
. 250-20(1/4-20) |
PF32 |
0420 |
35 |
.058 |
.060 |
. 375 |
. 374 |
. 625 |
. 350 |
. 242 |
. 385 |
. 675 |
. 38 | 上一個產品 下一個產品返回 >>
|